Jual Balluff BOS008L Photoelectric Sensor
Raibung Delapan Sinergi menghadirkan produk Balluff Sensor Photoelectric tipe BOS008L (BOS 26K-PA-1LQP-S4-C) untuk pasar Indonesia. Produk yang kami tawarkan dijamin 100% original, masih baru, dan disertai garansi resmi. Kami memberikan penawaran harga yang sangat bersaing dan ramah di kantong. Tidak hanya tipe BOS008L, kami juga menyediakan berbagai varian serta seri lain dari sensor merek Balluff secara lengkap untuk memenuhi kebutuhan industri Anda.
(BOS 26K-PA-1LQP-S4-C) BOS008L Balluff Sensor Photoelectric
Sensor fotolistrik BOS008L dari Balluff merupakan solusi deteksi yang andal dalam berbagai aplikasi industri. Kemudian dengan fitur canggih serta kepatuhan terhadap berbagai standar internasional, sensor ini menawarkan performa optimal dalam berbagai kondisi operasional. Artikel ini akan membahas masing-masing spesifikasi dari fitur sensor yang kami jual ini.
Spesifikasi Sensor Fotolistrik BOS008L Balluff
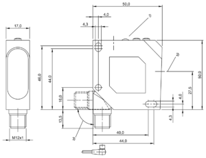
1. Dimensi Sensor (Dimension)
Sensor BOS008L memiliki ukuran 17 x 50 x 50 mm, yang membuatnya cukup ringkas dan mudah diintegrasikan dalam sistem otomasi industri. Kemudian dimensi ini juga memungkinkan pemasangan di ruang terbatas tanpa mengorbankan kinerja deteksi.
2. Bagian Pemasangan (Mounting Part)
Sensor ini dirancang untuk dipasang menggunakan sekrup M4, yang memastikan pemasangan yang kokoh dan stabil. Kemudian penggunaan sekrup M4 umum dalam sistem industri, memungkinkan kompatibilitas tinggi dengan berbagai perangkat pemasangan.
Fitur Optik Sensor Retroreflektif
1. Intensitas Cahaya Sekitar Maksimum (Ambient Light Max.)
Sensor ini dapat beroperasi dengan baik dalam kondisi pencahayaan sekitar hingga 3000 Lux. Hal ini memastikan keandalan deteksi meskipun berada di lingkungan dengan pencahayaan bervariasi.
2. Daya Rata-rata Maksimum (Average Power Po Max.)
Dengan daya rata-rata maksimum 390 µW, sensor ini juga mengonsumsi energi yang rendah tanpa mengurangi efisiensi kinerjanya.
3. Karakteristik Berkas Cahaya (Beam Characteristic)
Sensor ini memiliki berkas cahaya terkolimasi, yang berarti pancaran laser tetap sejajar tanpa penyebaran signifikan, sehingga meningkatkan akurasi deteksi pada jarak jauh.
4. Kelas Laser Berdasarkan IEC 60825-1 (Laser Class per IEC 60825-1)
Sensor ini dikategorikan sebagai kelas 1 berdasarkan standar IEC 60825-1, yang berarti aman untuk mata dalam penggunaan normal tanpa memerlukan tindakan perlindungan tambahan.
5. Ukuran Titik Cahaya (Light Spot Size)
Pada jarak 20 meter, sensor ini juga menghasilkan titik cahaya berdiameter 20 mm, yang memungkinkan deteksi objek dengan akurasi tinggi bahkan pada jarak jauh.
6. Jenis Cahaya (Light Type)
Sensor ini menggunakan laser cahaya merah, yang memiliki visibilitas tinggi serta stabilitas dalam berbagai kondisi operasional.
7. Filter Polarisasi (Polarizing Filter)
Dilengkapi dengan filter polarisasi, kemudian sensor ini mampu mengurangi pantulan dari permukaan reflektif, meningkatkan keakuratan deteksi objek.
8. Prinsip Operasi Optik (Principle of Optical Operation)
Prinsip sensor retroreflektif mengaktifkan sensor ini, di mana reflektor memantulkan kembali cahaya yang dipancarkan sebelum sensor menerimanya kembali, sehingga memungkinkan deteksi yang lebih stabil.
9. Fitur Optik Khusus (Special Optical Feature)
Sensor ini menggunakan optik koaksial, yang berarti jalur pemancaran dan penerimaan cahaya berada pada sumbu yang sama, kemudian memastikan deteksi yang lebih akurat.
10. Fungsi Sakelar Optik (Switching Function, Optical)
Sensor ini memiliki fungsi light-on dan dark-on, yang memungkinkan fleksibilitas dalam menyesuaikan kondisi deteksi berdasarkan kebutuhan aplikasi.
11. Panjang Gelombang (Wavelength)
Sensor ini beroperasi pada panjang gelombang 670 nm, yang termasuk dalam spektrum cahaya merah dan juga memberikan visibilitas serta presisi tinggi dalam proses deteksi.
Spesifikasi Koneksi Listrik Balluff BOS01FN
1. Jenis Konektor M12x1-Male, 4-Pin
Sensor ini menggunakan konektor M12x1-Male dengan 4 pin, yang merupakan standar industri untuk koneksi sensor dan aktuator. Keunggulan konektor ini meliputi:
- Instalasi Mudah: Desain standar memungkinkan pemasangan cepat dan tanpa kesalahan.
- Kompatibilitas Luas: Dapat digunakan dengan berbagai perangkat dalam sistem otomasi industri.
- Koneksi Stabil: Struktur konektor memastikan transfer sinyal yang andal tanpa gangguan.
2. Perlindungan Polaritas Terbalik untuk Keamanan Maksimal
Sensor Balluff BOS01FN dilengkapi dengan perlindungan polaritas terbalik, yang berarti sensor tetap aman meskipun terjadi kesalahan dalam pemasangan kabel. Manfaat utama fitur ini adalah:
- Menghindari Kerusakan Perangkat: Sensor tetap terlindungi meskipun polaritas kabel daya terbalik.
- Meningkatkan Umur Pakai: Mengurangi risiko kerusakan akibat kesalahan koneksi listrik.
- Meningkatkan Keamanan Operasional: Kita harus menghindari kecelakaan akibat gangguan listrik yang tidak diinginkan.
3. Perlindungan Hubungan Arus Pendek untuk Mencegah Kerusakan
Sensor ini juga memiliki perlindungan terhadap hubungan arus pendek, yang berfungsi untuk mencegah kerusakan akibat kelebihan arus. Keuntungan utama dari fitur ini meliputi:
- Mencegah Kerusakan Sistem: Sensor secara otomatis memutus aliran listrik saat terjadi hubungan pendek.
- Meningkatkan Keandalan Operasional: Sistem tetap berfungsi normal meskipun terjadi gangguan listrik.
- Menghemat Biaya Perawatan: Mengurangi kemungkinan penggantian sensor akibat kesalahan kelistrikan.

Spesifikasi Listrik Sensor BOS008L Balluff
1. Arus Tanpa Beban Maksimum (No-load Current Io Max.)
Sensor ini memiliki arus tanpa beban maksimum 40 mA pada tegangan operasi tertentu, yang memastikan efisiensi energi dalam penggunaannya.
2. Tegangan Operasi (Operating Voltage Ub)
Sensor beroperasi dalam rentang tegangan 10 hingga 30 VDC, memungkinkan fleksibilitas dalam pemasangan pada berbagai sistem industri.
3. Kelas Perlindungan (Protection Class)
Perancang sensor ini merancang kelas perlindungan II untuk memberikan keamanan tambahan terhadap sengatan listrik.
4. Tegangan Isolasi Terukur (Rated Insulation Voltage Ui)
Sensor ini memiliki tegangan isolasi terukur 75 V DC, sehingga mampu menahan lonjakan tegangan yang tidak diinginkan.
5. Arus Operasi Terukur (Rated Operating Current Ie)
Sensor ini mampu menangani arus operasi maksimum 200 mA, memastikan daya yang cukup untuk berfungsi dengan stabil.
6. Tegangan Operasi Terukur (Rated Operating Voltage Ue)
Berbagai sistem industri umum menggunakan sensor ini pada tegangan operasi standar 24 V DC.
7. Ripple Maksimum (Ripple Max.)
Sensor ini memiliki ripple maksimum 10% dari Ue, menjaga stabilitas tegangan selama pengoperasian.
8. Frekuensi Switching (Switching Frequency)
Dengan frekuensi switching 2500 Hz, sensor ini juga mampu merespons perubahan kondisi dengan sangat cepat, cocok untuk aplikasi yang membutuhkan deteksi dinamis.
9. Waktu Tunda Pemadaman (Turn-off Delay toff Max.)
Waktu tunda pemadaman maksimum hanya 0.2 ms, memungkinkan transisi yang cepat antara kondisi ON dan OFF.
10. Waktu Tunda Penyalaan (Turn-on Delay ton Max.)
Sensor ini memiliki waktu tunda penyalaan maksimum 0.2 ms, yang memberikan respons hampir instan dalam mendeteksi objek atau perubahan kondisi.
11. Kategori Pemanfaatan (Utilization Category)
Sensor ini masuk dalam kategori DC -13, yang menandakan kompatibilitasnya untuk aplikasi tertentu dalam sistem listrik arus searah.
12. Penurunan Tegangan Maksimum (Voltage Drop Ud Max.)
Penurunan tegangan maksimum pada arus terukur adalah 2.4 V, yang masih dalam batas toleransi untuk menjaga kinerja sensor secara efisien.
Spesifikasi Jarak Operasional Sensor BOS008L Balluff
Rentang Sensor 0 hingga 25 Meter: Keunggulan dan Aplikasinya
Sensor dengan rentang deteksi 0 hingga 25 meter menawarkan fleksibilitas tinggi dalam berbagai aplikasi, termasuk:
- Sistem Keamanan: Ideal untuk pemantauan perimeter, deteksi gerakan, dan sistem alarm otomatis.
- Otomasi Industri: Mengoptimalkan proses produksi dengan memantau posisi mesin dan produk secara presisi.
- Transportasi Pintar: Memanfaatkan sistem parkir otomatis dan teknologi deteksi objek di sekitar kendaraan.
Kemudian jarak yang luas membuat sensor ini efektif untuk aplikasi dalam ruangan maupun luar ruangan.
Jarak Operasional Sn 25 Meter yang Dapat Disesuaikan
Sensor dapat mencapai jarak maksimum untuk mendeteksi objek secara efektif, yang disebut rated operating distance atau jarak operasional yang dinilai (Sn). Kemudian dengan Sn sebesar 25 meter yang dapat disesuaikan, sensor memberikan fleksibilitas tinggi sesuai kebutuhan pengguna.
Keuntungan Menggunakan Sensor dengan Jarak yang Dapat Disesuaikan:
- Presisi Deteksi yang Lebih Tinggi: Sensor dapat diatur untuk fokus pada jarak tertentu sesuai kebutuhan.
- Efisiensi Sistem: Menghindari aktivasi yang tidak perlu oleh objek di luar jangkauan.
- Peningkatan Keandalan: Mengurangi potensi gangguan dari objek yang tidak relevan.
(BOS 26K-PA-1LQP-S4-C) Balluff Sensor Photoelectric
(BOS 26K-PA-1LQP-S4-C) BOS008L Balluff Sensor Photoelectric Datasheet: BOS008L Balluff Sensor Photoelectric pdf
baca juga: Jual Balluff BOS01FN Photoelectric Sensor
Pemesanan
Untuk permintaan harga mengenai (BOS 26K-PA-1LQP-S4-C) BOS008L Balluff Sensor Photoelectric silahkan hubungi kami. Selain kami menyediakan Sensor tipe dalam artikel ini kami juga menyediakan jenis lainnya lengkap dan original. Seperti Inductive sensors, Capacitive sensors, magnetic field sensors, Flow Sensor Dan jenis lainnya dari Balluff lengkap. Untuk informasi lebih lanjut atau mendapatkan penawaran terbaik, jangan ragu untuk menghubungi tim sales marketing kami atau kunjungi situs web kami.

