Jual BES0216 Balluff Inductive Sensor Indonesia

BES0216 Balluff Inductive Sensor IndonesiaJual BES0216 Balluff Inductive Sensor Indonesia

Kami PT. Raibung Delapan Sinergi menyediakan Sensor Induktif Balluff BES0216 (BES Q40KFU-PAC20A-S04G) di Indonesia. Kami menjamin produk yang kami jual baru, orisinal, dan bergaransi resmi. Anda bisa mendapatkan sensor ini dengan harga yang sangat kompetitif dan terjangkau. Tak hanya tipe tersebut, kami juga menawarkan berbagai tipe dan seri lengkap Sensor Balluff lainnya.

BES0216 (BES Q40KFU-PAC20A-S04G) Balluff Inductive Sensor

Sensor Balluff BES0216 adalah komponen elektronik yang dirancang dengan sangat presisi untuk berbagai aplikasi industri. Dalam artikel ini, kita akan membahas lebih dalam mengenai data sensor, termasuk masing-masing spesifikasi fitur sensor dalam penggunaannya di lingkungan industri.

Spesfikasi Data Mekanik Sensor Balluff BES0216

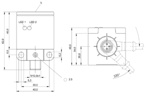
Dimensi Sensor Balluff BES0216

Sensor ini memiliki dimensi 40 x 40 x 62 mm, yang menjadikannya kompak namun sangat efisien. Ukuran ini memungkinkan kita memasang sensor di area yang terbatas tanpa mengurangi fungsionalitasnya. Berikut adalah beberapa keunggulan dari dimensi sensor ini:

Ukuran yang Kompak dan Efisien

Ukurannya yang kecil dan ringan membuat sensor berukuran 40×40 mm itu mudah dipasang pada berbagai jenis peralatan atau sistem industri. Komponen yang lebih kecil memungkinkan penataan yang lebih efisien dan fleksibel, yang sangat bermanfaat di tempat-tempat dengan ruang terbatas.

Fleksibilitas dalam Pemasangan

Ukuran yang kompak ini memberikan fleksibilitas lebih dalam penempatan sensor. Anda dapat memasang sensor dengan mudah di berbagai bagian mesin atau sistem pengontrol otomatis tanpa khawatir akan kesulitan ruang atau keterbatasan struktur.

Penghematan Ruang yang Optimal

Ukuran sensor ini sangat ideal untuk aplikasi yang mengutamakan penghematan ruang, baik itu dalam sistem kontrol industri atau aplikasi lain yang memerlukan perangkat kecil namun tetap memiliki kinerja tinggi.

Pemasangan Sensor untuk Flush Mounting

Sensor Balluff BES0216 dirancang untuk pemasangan flush mounting. Jenis pemasangan ini memungkinkan kita untuk memasang sensor rata dengan permukaan, sehingga sangat cocok untuk aplikasi yang membutuhkan komponen tersembunyi atau tersembunyi dengan rapi.

BES0216 Balluff Inductive Sensor

Spesifikasi Koneksi Listrik pada Sensor Balluff BES0216

Jenis Koneksi: M12x1-Male, 4-Pin, A-Coded

Koneksi M12x1-Male, 4-pin, A-coded yang dirancang untuk memastikan transmisi sinyal yang stabil dan aman diterapkan pada sensor Balluff.

Perlindungan Terhadap Pembalikan Pola (Polarity Reversal Protection)

Salah satu fitur penting dari koneksi ini adalah perlindungan terhadap pembalikan polaritas. Fitur ini menjamin sensor berfungsi dengan baik meskipun kabel dihubungkan dengan polaritas yang salah. Hal ini sangat penting untuk mencegah kerusakan pada sensor dan sistem secara keseluruhan, yang dapat terjadi jika polaritas tidak sesuai.

Perlindungan Terhadap Campuran Perangkat (Protection Against Device Mix-Ups)

Selain melindungi dari pembalikan polaritas, koneksi listrik pada sensor Balluff juga melindungi dari campuran perangkat. Fitur ini mencegah terjadinya koneksi yang salah antara berbagai jenis perangkat yang dapat menyebabkan malfungsi atau kerusakan pada perangkat elektronik.

Perlindungan Terhadap Campuran Perangkat (Protection Against Device Mix-Ups)

Selain melindungi dari pembalikan polaritas, koneksi listrik pada sensor Balluff juga melindungi dari campuran perangkat. Fitur ini mencegah terjadinya koneksi yang salah antara berbagai jenis perangkat yang dapat menyebabkan malfungsi atau kerusakan pada perangkat elektronik.

Spesifikasi Data Listrik Pada Sensor Balluff BES0216

Kapasitansi Beban Maksimal dan Tegangan Operasi

Pada sensor Balluff ini mencapai 1 µF pada tegangan operasi (Ue). Kapasitansi ini mempengaruhi kemampuan sensor dalam mentransmisikan sinyal tanpa gangguan. Kapasitansi yang rendah dapat mengurangi interferensi yang dapat mempengaruhi sinyal dan memastikan bahwa sensor bekerja secara akurat dan responsif terhadap perubahan yang terjadi di lingkungan sekitar.

Tegangan Operasi Sensor (Ub)

Sensor ini dapat beroperasi dengan tegangan 10 hingga 30 VDC. Rentang tegangan yang luas memungkinkan sensor ini untuk digunakan dalam berbagai aplikasi industri, di mana sumber daya listrik dapat bervariasi. Sistem dengan tegangan ini lebih efisien dalam menghemat energi dan mengurangi beban pada jaringan listrik.

Kekuatan Medan Magnet dan Arus Operasi

Para perancang merancang sensor ini agar dapat berfungsi dengan kuat meskipun ada interferensi dari medan magnet yang ada di sekitarnya. Dengan kekuatan medan magnet gangguan hingga 100 kA/m, sensor ini dapat bekerja dengan baik bahkan di lingkungan yang penuh dengan sumber interferensi elektromagnetik. Hal ini memastikan bahwa sensor dapat mengukur parameter secara akurat meskipun terdapat gangguan eksternal.

Arus Operasi Minimum dan Arus Tanpa Beban

  • Arus Minimum untuk Pengoperasian (Im) sensor ini adalah 0 mA, yang menunjukkan bahwa sensor ini tidak memerlukan arus minimum untuk beroperasi. Hal ini memudahkan pemasangan dan pengoperasian sensor tanpa khawatir arus awal yang besar.
  • Arus Tanpa Beban pada sensor ini bervariasi tergantung pada kondisi beban:
    • Arus tanpa beban, teredam adalah 20 mA, artinya Arus yang dibutuhkan sensor ini hanya 20 mA ketika tidak beroperasi dengan beban penuh.
    • Sensor ini menunjukkan konsumsi energi yang sangat rendah, yaitu 15 mA arus tanpa beban, tidak teredam. Sensor ini menunjukkan efisiensi yang sangat tinggi saat tidak beroperasi dalam kondisi ekstrem

Tahanan Output dan Perlindungan Listrik

Output sensor Balluff ini adalah 33,0 kOhm + D, yang memastikan bahwa sensor mampu memberikan hasil pengukuran yang akurat dengan sedikit gangguan dari tahanan luar. Tahanan ini membantu sensor untuk mengukur arus dan tegangan secara efisien.

Spesifikasi Jarak Operasi Sensor

1. Jarak Operasi Terjamin (Assured Operating Distance)

Sensor ini mampu mendeteksi objek dengan akurasi tinggi hingga jarak maksimum Sa. Pada sensor ini, nilai Sa adalah 16 mm, memberikan jaminan kinerja yang konsisten meskipun dalam berbagai kondisi lingkungan.

2. Histeresis (H max.)

Histeresis menunjukkan perbedaan antara jarak saat sensor mendeteksi objek dan jarak saat sensor berhenti mendeteksi. Parameter ini biasanya dinyatakan sebagai persentase dari jarak operasi nominal (Sr). Pada sensor ini, H max. adalah 15% dari Sr.

3. Jarak Operasi Nominal (Rated Operating Distance)

Perancang merancang sensor ini agar beroperasi secara optimal pada jarak standar 20 mm (Sn) dalam kondisi ideal.

4. Jarak Switching Nyata (Real Switching Distance)

Jarak switching nyata, atau sr, adalah jarak sebenarnya di mana sensor mendeteksi objek. Pada sensor ini, sr adalah 20 mm, sesuai dengan nilai Sn. Hal ini menunjukkan akurasi tinggi sensor dalam kondisi operasional.

5. Akurasi Pengulangan (Repeat Accuracy)

Akurasi pengulangan menunjukkan seberapa konsisten sensor dalam mendeteksi objek pada jarak yang sama selama beberapa pengukuran. Pada sensor ini, repeat accuracy maksimum adalah 5% dari Sr.

6. Drift Suhu Maksimum (Temperature Drift)

Drift suhu maksimum, atau pergeseran jarak operasi akibat perubahan suhu, adalah faktor penting dalam memastikan performa sensor. Pada sensor ini, drift suhu maksimum adalah 10% dari Sr.

7. Toleransi Jarak Operasi Nominal (Tolerance Sr)

Toleransi ini menunjukkan batas variasi jarak operasi dari nilai nominal. Pada sensor ini, toleransi adalah ±10% dari Sr, memberikan fleksibilitas dalam aplikasi yang membutuhkan margin kesalahan kecil.

BES0216 (BES Q40KFU-PAC20A-S04G) Balluff Inductive Sensor

BES0216 (BES Q40KFU-PAC20A-S04G) Balluff Inductive Sensor Datasheet: BES0216 Balluff Inductive Sensor pdf

Baca juga: Jual BES0300 Balluff Inductive Sensor Indonesia

Pemesanan

Untuk permintaan harga mengenai BES0216 (BES Q40KFU-PAC20A-S04G) Balluff Sensor Inductive silahkan hubungi kami. Selain kami menyediakan Sensor tipe dalam artikel ini kami juga menyediakan jenis lainnya lengkap dan original. Seperti Photoelectric sensors, Capacitive sensors, magnetic field sensors, Flow Sensor Dan jenis lainnya dari Balluff lengkap. Untuk informasi lebih lanjut atau mendapatkan penawaran terbaik, jangan ragu untuk menghubungi tim sales marketing kami atau kunjungi situs web kami.


PT. Raibung Delapan Sinergi
Alamat: 18 OFFICE PARK BUILDING 12Th Floor Unit E
JL TB Simatupang No.18 RT 002  RW 001
KEL. Kebagusan KEC. Pasar Minggu, Jakarta Selatan
Email: info@raibungdelapansinergi.com